《各類工業廢水常規處理工藝》
1、電鍍廢水處理工藝
電鍍生產排出的廢水或廢液的處理。電鍍工廠排出的廢水和廢液中含有大量金屬離子如:鉻、鎬、鎳,含氰,含酸,含堿,一般常含有有機添加劑。金屬離子有的以簡單的陽離子形式存在,有的則以酸根陰離于形式存在,有的以復雜的絡合離子存在。電鍍廢水處理常用中和沉淀法、中和混凝沉淀法、氧化法、還原法、鋇鹽法、鐵氧體法等化學方法。
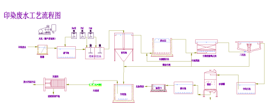
2、印染廢水處理工藝
印染廢水根據染料性質的不同,其廢水處理工業也千差萬別。對廢水中堿度,一般設調節池并保證必要的勻質時間;對色度,根據廢水排放和利用要求,可用凝聚法,吸附法。氧化法,電解法等化學或物理法處理,也有培養特殊的細菌在兼氣條件下進行脫色。需要指出的是,采用凝聚法對直接染料,還原染料,磁化染料,分散染料的色度,去除效果好,但對酸性染料,活性染料,脫色效果差。活性炭對染料的吸附有選擇性,對陽離子染料,直接染料、酸性染料、活性染料等水溶性染料有良好吸附性能,但對硫化染料、還原染料、涂料等不溶性染料吸附性能很差。常用的臭氧氧化劑,對直接染料、酸性染料、堿性陽離子和活性染料等親水性染料,脫色效果好,對還原染料、硫化染料、分散染料等疏水性染料脫色效果差。廢水中大量有機物,通常采用生物法處理能達到較滿意的效果;對PVA等化學漿料,可采用生物分解法或回收利用法。在生物分解中,可分別采用高MLSS的一段和二段曝氣法及厭氧—好氧串酸處理工藝;
3、造紙廢水處理工藝
造紙工業廢水的處理應著重于提高循環利用率,減少用水量和廢水排放量,同時也應積極探索各種可靠、經濟和能夠充分利用廢水中有用資源的處理方法。例如:浮選法可回收白水中纖維性固體物質,回收率可達95%,澄清水可回用;燃燒法可回收黑水中氫氧化納、硫化鈉、硫酸鈉以及同有機物結合的其他鈉鹽。中和法調節廢水pH值;混凝沉淀或浮選法可去除廢水中懸浮固體;化學沉淀法可脫色;生物處理法可去除BOD,對牛皮紙廢水較有效;濕式氧化法處理亞硫酸紙漿廢水較為成功。此外,也有采用反滲透、超過濾、電滲析等處理方法。

4、制革廢水處理工藝
(1)預處理系統
主要包括格柵、調節池、沉淀池、氣浮池等處理設施。制革廢水中有機物濃度和懸浮固體濃度高,預處理系統就是用來調節水量、水質,去除懸浮物,削減部分污染負荷,為后續生物處理創造良好條件。
(2)生物處理系統
制革廢水屬于高濃度有機廢水,適宜于進行生物處理。國內應用較多的有氧化溝、SBR和生物接觸氧化法,應用較少的是間歇式生物膜反應器(SBBR)、流化床和升流式厭氧污泥床(UASB)。



